LabStak M39 L/H

The Alfa Laval LabStak® M39L/H is specially developed for ultrafiltration and microfiltration of highly viscous products and fermentation broths. The unit is ideal for a wide range of industries that include biotechnology, pharmaceuticals, food and beverages. To meet the demands experienced here, the Alfa Laval LabStak® M39L/H is designed for optimized flow dynamics, low energy consumption and pressure operation. Optional plate sets are available for different liquid viscosities

Alfa Laval LabStak

Handy and flexible

The Alfa Laval LabStak® M39L/H is designed to provide quick and reliable process evaluations in laboratories or other test facilities, while keeping equipment and set-up costs to a minimum. The unit is a popular choice for up-scaling, membrane testing, quality assurance, process development and small-scale production.

The flexible Alfa Laval LabStak® M39L/H consists of a full-size plate-and-frame cross flow membrane filtration module of the type Alfa Laval Module M39L/H. This module is the same as those found in full-scale membrane filtration systems from Alfa Laval, designed with modules of the type M39L/H. As such the Alfa Laval LabStak® M39L/H utilizes support plates of the same size and it can be fitted with the whole range of flat sheet membranes for ultrafiltration and microfiltration, also available from Alfa Laval.

Option

For the Alfa Laval LabStak® M39L/H we offer plate sets with different channel heights to optimize flow and pressure:

  • M39L plate set
    Low channel, for low and medium viscosity liquids
  • M39H plate set
    High channel, for high viscosity liquids

 Alfa Laval LabUnit M39L/H

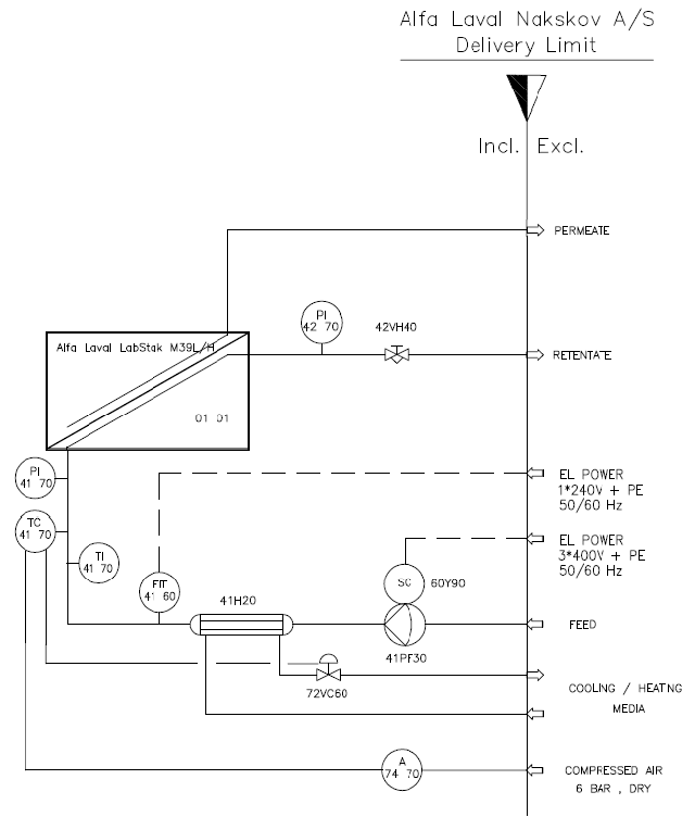
Alfa Laval LabUnit M39L/HThe Alfa Laval LabUnit M39L/H is a fully integrated system comprising an Alfa Laval LabStak® L/H unit complete with necessary pump, valve, heat exchanger and instrumentation.

Benefits

  • flexible membrane area between 0.2 m² and 1.0 m²
  • simultaneous testing of up to five different membrane types
  • easy exchange of membranes
  • high operating temperature (up to 80°C)
  • can be coupled to the by-pass stream of an industrial plant
  • different channel height options to optimize flow and pressure
  • low internal volume
  • flexible system design
  • flow pattern similar to that of larger systems
  • all components in compliance with FDA regulations, allowing use within food and pharmaceutical processing applications

Hoe het werkt

Технологическая схема Alfa Laval LabUnit M39L/H

The plate-and-frame module from Alfa Laval is designed with open channels across the membrane surface. The feed stream/retentate flows through these.

The membrane itself is supported by hollow plates with numerous slots that allow the permeate to collect and be removed from the module via the permeate collecting tubes.

Plate-and-frame modules use the membrane itself, aided by lock rings or strips, to seal off the feed/retentate from mixing into the permeate channels. This also prevents any leaks from the plate stack itself.

Flow diagram of typical installation